
企业名称:郑州香蕉网址在线观看电子科技有限公司
全国服务电话:400-888-1391
电话:0371-5678 0788
业务:188 3719 7719
技术:186 3718 5623
Q Q: 1428 9459 36
邮箱:18037175525@qq.com
地址:郑州市高新区合欢街与红瑞路郑州北斗产业园C9号楼4层D02号
远程控制终端

远程控制终端 JDY-2071
远程控制终端是专业用于农业香蕉爱视频设备,可广泛用于现代农业大棚信息采集与远程控制、水肥灌溉系统信息采集与远程控制、养殖环境监控与控制等领域,终端可通过GPRS无线传输方式进行数据的采集与传输,用户通过手机或电脑就可轻易实现对目标区域环境信息的实时查看与远程控制。
终端采用工业级元器件,能够适用于各种复杂的农业环境,并且具有友好的WEB配置操控界面,易于安装与使用,终端配有全隔离RS485接口,支持标准MODBUS-RTU协议,最大可支持40路RS485传感器与控制器。具体功能参数如下:
支持高达40路的智能数字传感器与智能控制器
支持100+种常用传感器
支持GPRS传输模式全隔离RS485接口,防雷设计
低功耗运行设计,节能环保
易于安装与使用。
功能:远程无线GPRS传输无距离限制
可接终端控制解码器6站,可最多扩展50站
塑料防水外壳
室外壁挂安装
防水等级IP65
220V供电
解码器JDYHF-B707

规格说明
型号:JDYHF-B707
安装: 在阀门箱内或直接埋入土壤。
解码器的尺寸:
长:107毫米 宽:80毫米 高:55毫米
电磁阀控制数:
1或2个电磁阀,共同开关
FD-202: 1 或 2 个单独控制的独立电磁阀,或电磁阀对。
控制器埋藏在地下或阀门井内,保证景观效果同时降低成本。
系统容易扩展,只需简单地将解码器接入线路即可。
安装时电线使用量比常规的控制器系统节省80%
电子组件完全密封保护,防止外界不良条件的影响。
安装简便:两线系统安装过程中可以随时接入并保存。
地下的“闸箱”减少了动物和人为的破坏。
地址预置,避免了由于地址变化所造成的混乱。
使用JDYHF-B707解码器编程器(DPU),在必要的时候可以重新设置解码器地址。

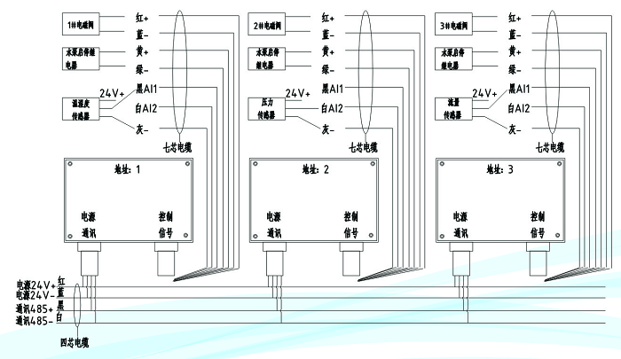
接线流程图

LORA解码器

(1). JDYHF-B707无线解码器(锂原电池),接收lora网关开关命令,用来控制冲电磁阀。
通信方式:lora无线通信
通信距离:1500m
供电方式:一次性高性能锂原电池
使用寿命:开关1500次
防水等级:IP66
(2)、JDYKJ-B707无线解码器(太阳能电池)接收lora网关开关命令,用来控制脉冲电磁阀。
通信方式:lora无线通信
通信距离:1500m
供电方式:太阳能可充电电池
使用寿命:10年
防水等级:IP66